Craftsman Snowblower Attachment Fit Up Chart - Portal Extremitycare
Riding mower bagger snow. 20370 24019 24441 n/a 24100 24862 24210 n/a n/a 30216. 20371 24019 24441 n/a 24100 24862 24210 n/a n/a 30216. Snow thrower will tough. Do not return to store for missing parts or assembly questions call 1.
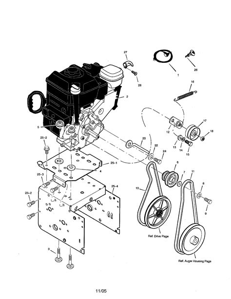
Page 13 figure 23 installing the attachment lift the front of the snow blower to bring the holes in the mounting plates.
